KAVAN L-39 Skyfox 1088mm - Instruction manual
Introduction
Congratulations on your purchase of an officially licensed semi-scale model of the Aero L-39 Skyfox military jet trainer and light combat aircraft. You are about to start the assembly of a model manufactured from virtually unbreakable EPO (expanded polyolefin) foam, powered by a mighty brushless motor and lightweight LiPo battery. Everybody who has already mastered flying a fast aerobatic plane will enjoy this beautiful semi-scale model.
Aero L-39 Skyfox
L-39 Skyfox is a military trainer jet and light combat aircraft designed and manufactured by the Czech company AERO Vodochody AEROSPACE a.s.. It is a successor of the legendary Cold War era Aero L-39 Albatros. Whilst the successful basic concept remains, it is a completely new design using composite materials, a modern turbofan engine and the latest avionics including HUD displays. The new "wet" wing featuring an integral fuel tank makes the Skyfox recognizable at first sight - the signature wing tip tanks of the Albatros are no longer there. The L-39 Skyfox is powered by the low-consumption Williams International FJ44-4M turbofan, making the operating costs comparable to contemporary turboprop trainers. Five external hard points under the wing and fuselage can carry up to 1360 kg payload: 2 external fuel tanks, 12.7mm or 20mm gun pods, unguided rocket blocks, 227kg Mk. 82 free-fall bombs, laser-guided GBU-12 Paveway bombs, training CATM or AIM-9 Sidewinder infrared air-to-air missiles, reconnaissance pods etc. The serial production started in May 2023 with aircraft for the Czech, Hungarian and Vietnamese Air Forces. At the same time, the upgrade program for the original L-39 Albatros using the Skyfox engines and avionics is running. Well, it seems Czech trainer jets are not going to be missing in the sky in the future.
Specification
- Wingspan: 9.38 m
- Length: 11.83 m
- Weight: 3100 kg (empty), 5600 kg (max. take-off)
- Power plant: Williams International FJ44-4M turbofan engine, 16.86 kN
- Maximum speed: 907 km/h or 0.8 Mach
- Service ceiling: 10670 m
- Range: 1900/2500 km (with external tanks)
- Max. G-load limit: +8/-4 G
For more info about the aircraft visit: https://www.aero.cz/l-39-skyfox/
Warnings
- This RC model is not a toy. Use it with care and strictly follow the instructions in this manual.
- Assemble this model following strictly these instructions. DO NOT modify or alter the model. Failing to do so will lapse the warranty automatically. Follow the instructions to obtain a safe and solid model at the end of the assembly.
- Children under the age of 14 must operate the model under the supervision of an adult.
- Assure that the model is in perfect condition before every flight. Check if all the equipment works correctly and if the model is undamaged in its structure.
- Fly only on days with a light breeze and in a safe place away from any obstacles or sources of interference.
Before you start
- If you are not an experienced RC pilot, plan to have a fully competent pilot check your completed model and help you with your first flights. Even though we have tried to provide you with a thorough instruction manual, RC models are rather complicated, and an experienced modeller can quickly check over your model to ensure your first flights are successful.
- Please assemble your model according to these instructions. Do not modify or change your model in any way. Doing so may adversely change its flying characteristics.
- Before you begin, check the entire contents of this kit to make sure no parts are missing or damaged. It will also help you to become familiar with each component of your plane. If you find that any of the parts are either missing or damaged, contact your dealer immediately for replacement.Note: Your dealer cannot accept kits for return if construction has begun.
- Trial fit each part before glueing it in place. Before assembling, make sure you are using the correct part and that it fits well. No amount of glue can make up for a poorly fitting part.
- The manual contains a drawing showing the default Centre of Gravity (CG) position and recommended control surface throws. Please note it is essential to keep the recommended CG position for the first flight, or the model could be unstable, hard to control or even unable to fly. Later, you can fine-tune the CG position to suit your flying style and skills.
Safety precautions and warnings
- An RC aeroplane is not a toy! If misused, it can cause serious bodily harm and damage to property. Fly only in a safe place, following all instructions and recommendations in this manual. Beware of the propeller! Keep loose items that can get entangled in the propeller away from the spinning propeller, including loose clothing or other objects such as pencils and screwdrivers. Ensure that your and other people’s hands and face are kept away from the rotating propeller.
- As the user of this product, you are solely responsible for operating it in a manner that does not endanger yourself and others or result in damages to the product or the property of others. This model is controlled by a radio signal subject to interference from many sources outside your control. This interference can cause momentary loss of the controls, so it is advisable to always keep a safe distance in all directions around your model, as this margin will help to avoid collisions or injury.
- Never operate your model with low transmitter batteries.
- Always operate your model in an open area away from power lines, cars, traffic, or people. Avoid operating your model in populated areas where injury or damage can occur.
- Carefully follow the directions and warnings for this and any optional support equipment (chargers, rechargeable batteries, etc.) which you use.
- Keep all chemicals, small parts and anything electrical out of the reach of children.
- Moisture causes damage to electronics. Avoid water exposure to all equipment not specifically designed and protected for this purpose.
- The model is made mainly of plastic - it is not fireproof. It may not be exposed to higher temperatures, otherwise severe distortion of the foam airframe or other damage may occur.
Technical specifications
| Wingspan | 1080 mm |
| Length | 1369 mm |
| All-up weight | 2550–2750 g |
| Wing area | 25 dm² |
| EDF | 80 mm |
| Motor | C3552-2000KV |
| ESC | KAVAN R-100SB Plus |
Set contents
An almost ready-to-fly model with an 80mm EDF, brushless motor, speed controller and servos installed, instruction manual.
You will also need
- At least six channel RC set, 22.2 V 3700–5000 mAh LiPo at least 40C, 60C preferred, flight pack with the XT90 connector.
- Regular modeller’s tools - precision knife (KAV66.770), screwdrivers, pliers, 1.5 mm and 2.5 mm hex keys or screwdrivers etc.
- Glue: Medium or thick cyanoacrylate (e.g. KAV56.9952 or KAV56.9953), silicone or MS polymer glue.
Model assembly
- Secure the fin and rudder assembly with two 3×15 mm self-tapping screws to the upper tail fuselage/horizontal tailplane assembly. (Fig. 1)
- Glue the bottom tail part of the fuselage using medium or thick cyano, contact glue or MS polymer glue to the front part of the fuselage. (Fig. 2)
- Hook up the rudder (RUD) and elevator (ELE) servo extension cables; secure the connectors with a strip of sticky tape or heat shrink tube and then attach the tail assembly to the fuselage. (Fig. 3)
- Secure the tail assembly to the fuselage using four 3×15 mm self-tapping screws. (Fig. 4)
- Thread the wing servo extension cables into the cockpit; attach the wing to the fuselage and secure it with four 3×15 mm self-tapping screws. (Fig. 5)
- Pull the tab of the canopy lock back to release and remove the canopy. (Fig. 6)
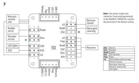
- Hook up your receiver, servos and ESC following the wiring diagram (Fig. 7). The receiver is to be secured with a strip of double-sided foam tape or hook-and-loop tape to the rear part of the cockpit. Deploy the antennas so their active parts are square to each other (if you are using a receiver featuring diversity antennas).Note: The kit is supplied with the connection board for ailerons, flaps, elevator, rudder, retracts, ESC and LED lights so you can use even the most basic 6-channel radios to control your Skyfox. If you intend to use independent control of aileron and flap servos and an advanced computer radio, you will have to bypass the connection board accordingly. The LED lights are only powered via the connection board; they are not remotely controlled in any way.
- Attach the canopy back. The assembly of your model is finished. (Fig. 8)
RC set installation and preflight check
- Referring to the instruction manual of your radio, carefully hook up the onboard electronics.
- Once everything has been correctly connected, turn on your transmitter and plug in the flight pack. Check the neutral positions and throws of all control surfaces. If you need to make the control surface throws smaller, simply move the pushrod closer to the centre on the servo arm or move it far from the control surface on the control horn. And vice versa.
| Recommended throws | *Low rate | *High rate | ||
| Rate | Expo | Rate | Expo | |
| Ailerons | ± 12 mm | 25 % | ± 16 mm | 25 % |
| Elevator | ± 14 mm | 30 % | ± 20 mm | 30 % |
| Rudder | ± 21 mm | 30 % | ± 30 mm | 30 % |
| Flaps | Take-off: -26 mm down / Landing: -55 down | |||
| Flap → Elevator Mix | Take-off: 1 mm down elevator / Landing: 3 mm down elevator | |||
*) The "Low Rate" recommended control surface throws are suitable for a less skilled pilot and regular "scale-ish" flying. The "High Rate" setting allows an experienced pilot to explore the full capabilities of his model.
- Check the direction of rotation of the EDF. If incorrect, simply swap two of the three wires between the ESC and motor.
- Check the correct position of the centre of gravity (CG) – 80–85 mm behind the leading edge of the wing (in other words 125–130 mm behind the front edge of the wing moulding) (Fig. 9). Adjust the CG position by moving the flight pack - if you could not reach the recommended position, do not hesitate to add an appropriate amount of lead to the nose or tail. An extra couple of grams won’t spoil the flying characteristics - but the incorrect CG position is a killer.
- Fully charge your flight pack and transmitter batteries, check the proper function of your radio and perform the range check of your radio according to its instruction manual. The range has to be almost the same with the motor off and at full throttle (no more than a 10 % decrease is acceptable). DO NOT try to fly unless the range check is 100% successful.
Flying
- The test flying and fine-tuning is pretty much straightforward and there will be no surprise for an advanced pilot that is supposed to fly this model.
- The Skyfox is to be operated from a good modeller’s airfield. A smooth tarmac airstrip is strongly preferred.
- Before you get familiar with the model, we suggest using the "Take-off" flap setting both for the take-off and landing (refer to the table above).
- Do not forget please: An EDF-powered model does not fly like a sailplane once the motor shuts down due to a discharged flight pack.
Set contents
Appendix
KAVAN R-100SB Plus instructions
Please refer to the KAVAN Plus ESCs - Instruction manual.
Recycling and waste disposal note (European Union)

Electrical equipment marked with the crossed-out waste bin symbol must not be discarded in the domestic waste; it should be disposed of via the appropriate specialised disposal system. In the countries of the EU (European Union) electrical devices must not be discarded via the normal domestic waste system (WEEE - Waste of Electrical and Electronic Equipment, Directive 2012/19/EU). You can take your unwanted equipment to your nearest public collection point or recycling centre, where it will be disposed of in the proper manner at no charge to you. By disposing of your old equipment in a responsible manner you make an important contribution to the safeguarding of the environment!
EU declaration of conformity (European Union)

Hereby, KAVAN Europe s.r.o. declares that the model L-39 Skyfox and the included electronic and electric devices are in compliance with the requirements of relevant European directives and harmonized norms. The full text of the Declaration of Conformity is available at http://www.kavanrc.com/doc/.
Guarantee
The KAVAN Europe s.r.o. products are covered by a guarantee that fulfils the currently valid legal requirements in your country. If you wish to make a claim under guarantee, please contact the retailer from whom you first purchased the equipment. The guarantee does not cover faults which were caused in the following ways: crashes, improper use, incorrect connection, reversed polarity, maintenance work carried out late, incorrectly or not at all, or by unauthorised personnel, use of other than genuine KAVAN Europe s.r.o. accessories, modifications or repairs which were not carried out by KAVAN Europe s.r.o. or an authorised KAVAN Europe s.r.o., accidental or deliberate damage, defects caused by normal wear and tear, operation outside the Specification, or in conjunction with equipment made by other manufacturers. Please be sure to read the appropriate information sheets in the product documentation!