KAVAN Norden 1600mm - Návod k použití
Úvod
Blahopřejeme vám k zakoupení polomakety česko-italského „dobrodružně-turistického“ letadla kategorie STOL Zlin Aviation NORDEN. Stali jste se majiteli modelu s konstrukcí z takřka nerozbitného pěnového EPO (extrudovaný polyolefin) poháněného výkonným střídavým motorem napájeným z LiPo akumulátorů. Každý, kdo již zvládá létání s modelem s křidélky, si stoprocentně užije pilotáž této elegantní polomakety.
Zlin Aviation NORDEN
V druhé polovině 90. let si italský konstruktér Russo Pasquale a jeho tým předsevzali vytvořit ultralehké turistické letadlo s výbornými letovými vlastnostmi, schopností krátkého vzletu a přistání, s klasickou osvědčenou konstrukcí, které by bylo zároveň ekonomické v provozu, snadno se stavělo a udržovalo. Inspirací jim byl legendární Piper Cub; při konstrukci ale využili nejmodernější počítačovou techniku a poslední poznatky aerodynamiky, špičkové materiály a avioniku, takže vytvořili dokonalý stroj pro začínající 21. století.
První z řady letadel Savage se začal vyrábět v Itálii na přelomu let 1997 a 1998; v roce 1999 byla výroba přesunuta do České republiky. Od té doby úspěšně pokračuje ve firmě Zlin Aviation s.r.o., kde se může opřít o dlouholetou tradici světoznámého výrobce sportovních letadel a jeho zkušený tým pracovníků.
Své zákazníky po celém světě si našlo již více než 500 letadel řady Savage; nejnovějším modelem je NORDEN konstruovaný pro motory Rotax® 914, 915 nebo 916 s 115/141/160 HP. Nabízí instalaci široké škály vrtulí, avioniky a dalších individuální úpravy a umožňuje tak pilotovi splnit si sen o turistickém letadle schopném vzletu a přistání kdekoliv a kdykoliv a poskytujícím nepřekonatelný požitek z letu s dokonalým výhledem, jaký byl vlastní jeho dávnému legendárnímu vzoru.
Technické údaje (NORDEN Standard)
- Rozpětí: 9,03 m
- Délka: 7,07 m
- Prázdná hmotnost: 365 kg
- Maximální vzletová hmotností: 600 kg
- Max. letová rychlost: 235 km/h
- Cestovní rychlost: 200 km/h
- Pádová rychlost s plnými klapkami a sloty: 55 km/h
- Délka vzletu (při max. letové hmotnosti): <70 m
- Délka přistání (při max. letové hmotnosti): <80 m
- Motor: Rotax 914 Turbo 115 HP
Podrobnosti najdete na www.zlinaero.com/norden/.
Ještě než začnete
- Pokud zatím nejste zkušený pilot RC modelů, začněte vyhledávat zkušeného modeláře, který před prvním vzletem zkontroluje váš nový model, zalétá jej a vytrimuje a poskytne vám pomoc během prvních letů. RC modely jsou přece jen poněkud složité, a zkušený modelář může rychle prověřit váš model - a vy získáte jistotu, že úspěchu prvních letů nestojí nic v cestě.
- Prosíme, model sestavujte přesně podle návodu. Nepokoušejte se model jakýmkoliv způsobem upravovat nebo měnit, protože tím můžete způsobit zhoršení jeho letových vlastností. Pokud provedete jakékoliv úpravy, které nejsou v souladu s tímto návodem, činíte tak výhradně na svoji vlastní odpovědnost.
- Než začnete, prosím, zkontrolujte celý obsah stavebnice podle návodu, abyste měli jistotu, že žádná část nechybí nebo není poškozena. Při rozbalování postupujte, opatrně, nic zbytečně neroztrhávejte a nerozřezávejte - nepočínejte si, prosím, jako netrpělivá novomanželka při rozbalování svatebních darů. Tímto způsobem se také lépe seznámíte se všemi částmi modelu. Pokud zjistíte, že nějaký díl chybí nebo je poškozený, prosím, neprodleně kontaktujte prodejce, u kterého jste model zakoupili.
- Poté, co si stavebnici odnesete domů a začnete se s ní podrobněji seznamovat, může se vám stát, že z nějakého důvodu ztratíte původní nadšení a elán - model může být třeba příliš velký, jeho stavba se může ukázat složitější a časově náročnější, než jste čekali. To se může stát každému. V tom případě, prosím, nepokračujte dále. Pokud budete schopni model vrátit v původním, úplném a neporušeném stavu, nebude vám prodejce činit potíže při jeho vrácení nebo výměně za jiný.
- Návod obsahuje zřetelně vyznačenou polohu těžiště a doporučené výchozí velikosti výchylek ovládacích ploch. Dodržení správné polohy těžiště je naprosto zásadní podmínkou pro to, aby byl model ovladatelný a letuschopný. Správnou polohu je nutno bezpodmínečně dodržet. Pro první vzlet model zkompletujte tak, aby těžiště odpovídalo údaji v návodu - to je bezpečná hodnota pro zkušeného pilota, který je seznámen s chováním modelu v plném rozsahu běžných letových rychlostí. Těžiště více vpředu znamená model „hodnější“, stabilnější a snáze ovladatelný. Zadní poloha těžiště značí model „živější“, s menší stabilitou, s rychlejšími reakcemi na řízení a celkově náročnější na ovládání - proto je vhodné začít s přední polohou těžiště, a teprve poté, co s pilotáží modelu seznámíte a sžijete, můžete začít experimentovat.
Zásady bezpečného provozu
- RC letadlo není hračka! Při nesprávném použití může způsobit vážná zranění a škody na majetku. Létejte pouze na bezpečném místě a dodržujte všechny pokyny a doporučení uvedené v tomto návodu. Pozor na vrtuli! Volné předměty, které se mohou do vrtule namotat, včetně volného oblečení nebo jiných předmětů jako jsou tužky a šroubováky, držte mimo dosah točící se vrtule. Dbejte, aby otáčející se vrtule byla v bezpečné vzdálenosti od prstů a obličeje - vašeho i ostatních lidí a zvířat.
- Jakožto vlastník tohoto výrobku jste výhradně zodpovědný za to, že je provozován způsobem, kterým neohrožujete sebe ani ostatní, ani nevede k poškození výrobku nebo jiným škodám na majetku. Model je ovládán prostřednictvím vysokofrekvenčního signálu, který může podléhat rušení z vnějších zdrojů mimo vaši kontrolu. Nikdy také nelze zcela vyloučit možnost nějaké závady na modelu nebo pilotážní chyby, takže je vhodné vždy létat s modelem tak, aby se všech směrech nacházel v bezpečné vzdálenosti od okolních předmětů a osob, protože tato vzdálenost pomůže zabránit zranění nebo škodám na majetku.
- S modelem nelétejte, jsou-li baterie nebo akumulátory ve vysílači vybité.
- Model vždy provozujte na volném prostranství mimo dosah elektrického vedení, aut, dopravy nebo lidí. Nepoužívejte model v obydlených oblastech, kde může dojít ke zranění nebo poškození.
- Pečlivě dodržujte pokyny a varování pro toto a všechna volitelná podpůrná zařízení (nabíječky, dobíjecí baterie atd.), která používáte.
- Udržujte všechny chemikálie, malé části modelu a veškerá elektrické zařízení mimo dosah dětí.
- Voda a vlhkost mohou způsobit poškození elektroniky. Zabraňte působení vody na všechno vybavení, které není speciálně navrženo a vyrobeno jako odolné vůči tomuto působení.
- Model je zhotoven v převážné většině z plastů; není nehořlavý. Model nesmí být vystaven působení vyšších teplot (v blízkosti zdrojů tepla, na přímém slunci, v uzavřeném interiéru auta apod.), jinak hrozí nebezpečí zdeformování pěnového draku modelu nebo jiné škody.
Specifikace
| Rozpětí | 1600 mm |
| Délka | 1275 mm |
| Plocha křídla | 44,3 dm² |
| Hmotnost | 1800 g |
| Letová hmotnost | 2350–2400 g |
| Motor | C3548-750 |
| Regulátor | KAVAN R-50SB Plus |
| Vrtule | 10×6" třílistá |
Obsah sady
- 100% osazený, pouze krátkou montáž vyžadující model (serva, střídavý motor, regulátor otáček, vrtule), návod ke stavbě.
Pro dokončení modelu ještě budete potřebovat
- Nejméně šestikanálový vysílač a přijímač, pohonný akumulátor LiPo 14,8V 2600–3300 mAh.
- Běžné modelářské nářadí: modelářský nůž (KAV66.770), šroubováky, kleště, plochý klíč č. 10, 1,5 mm a 2,5 mm imbusovou kličku nebo šroubovák, brusný papír atd.
Stavba modelu
- Podvozkové nohy připevněte k trupu čtyřmi imbusovými šrouby M3×10 mm. (Obr. 1)
- Pružiny podvozku upevněte k trupu a podvozkovým nohám čtyřmi imbusovými šrouby M3×6 mm. (Obr. 2)
- Poloviny křídla nasuňte na trubkovou spojku křídla. (Obr. 3)
- Křídlo upevněte k trupu plastovou spojkou a dvěma polyamidovými šrouby M6×40 mm. (Obr. 4)
- Sestavte vzpěry křídla a k trupu a křídlu je upevněte imbusovými šrouby M2×8 mm a kovovými sponkami. (Obr. 6+7)
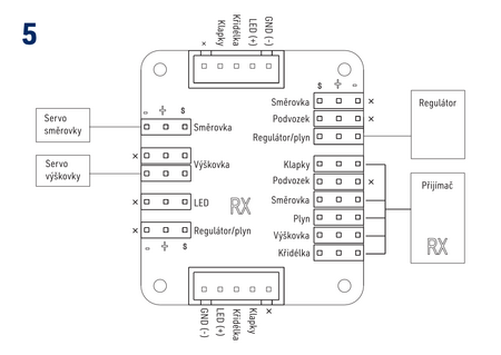
- Váš přijímač zapojte dle schématu (Obr. 5). Přijímač s připojenými servy a regulátorem otáček upevněte v zadní části kabiny pomocí pásku samolepícího suchého zipu nebo oboustranné samolepící pásky s pěnovou vrstvou a antény umístěte tak, aby jejich aktivní části byly na sebe navzájem kolmé (máte-li přijímač s diverzitními anténami).
- Vodorovnou ocasní plochu upevněte k trupu dvěma polyamidovými šrouby M5×28 mm. (Obr. 8)
- Svislou ocasní plochu upevněte k trupu polyamidovým šroubem M5×28 mm a imbusovým šroubem M3×10 mm. (Obr. 9)
- Ostruhu zasuňte do držáku ve spodní části směrovky. (Obr. 10)
- Nainstalujte táhla směrovky a výškovky (Obr. 11+12)
- Na hřídel unašeče nasaďte vrtuli a zajistěte ji maticí s podložkou, kterou pevně dotáhněte klíčem č. 10. (Z bezpečnostních důvodů je ale vhodnější ponechat montáž vrtule až nakonec, když po zapojení RC soupravy ověříte, že se motor otáčí ve správném smyslu.) Kužel vrtule upevněte pomocí šroubu M2,5×20 mm. (Obr. 13)
- Otevřete kryt prostoru pro akumulátor v přídi a pohonný akumulátor vložte dovnitř. Zapněte vysílač, ovladač plynu stáhněte zcela dolů - teprve potom můžete připojit pohonný akumulátor k regulátoru otáček. Proveďte kalibraci rozsahu plynu regulátoru otáček dle návodu k jeho obsluze v příloze. Se všemi ovladači a trimy v neutrálu nastavte do středové polohy všechna kormidla.
Obsah ARF sady:
Instalace RC soupravy a příprava k letu
- Při instalaci a zapojování palubní RC soupravy se řiďte návodem k její obsluze.
- Po úplném sestavení modelu zapojte palubní RC vybavení a přezkoušejte činnost serv - správný smysl a velikost výchylek. Pokud má některé kormidlo příliš velké výchylky, posuňte táhlo na páce serva blíže ke středu (nebo na páce kormidla dále od kormidla). Pokud by naopak výchylka byla příliš malá, postupujte právě opačným způsobem.
| Doporučené výchylky | *Malé výchylky | Velké výchylky | ||
|---|---|---|---|---|
| Výchylky | Expo | Výchylky | Expo | |
| Křidélka | ± 13 mm | 30 % | ± 20 mm | 30 % |
| Výškovka | ± 14 mm | 30 % | ± 20 mm | 30 % |
| Směrovka | ± 35 mm | 20 % | ± 45 mm | 20 % |
| Klapky | Vzlet: -12 mm dolů / Přistání: -28 mm dolů | |||
*) Malé výchylky uvedené v tabulce jsou vhodné pro méně zkušené piloty a normální létání. Velké výchylky jsou určeny pro zkušené piloty, kterým umožní naplno využít schopnosti modelu.
- Zvláště méně zkušení piloti mohou shledat létání s jejich Nordenem snadnějším při využití několika dodatečných mixů (poměry mixů pro velké výchylky kormidel):
Křidélka → Směrovka: směrovka 15 mm vlevo při plných křidélkách doleva, směrovka 15 mm vpravo při plných křidélkách doprava.
Diferenciace výchylek křidélek: křidélka 20 mm nahoru/10 mm dolů.
Klapky → Výškovka: výškovka 2mm dolů pro klapky pro vzlet, výškovka 0 mm pro klapky pro přistání.
- Zkontrolujte smysl otáčení vrtule. Pokud by byl nesprávný, prostě mezi sebou prohoďte kterékoliv dva z trojice vodičů mezi regulátorem otáček a motorem.
- Zkontrolujte správnou polohu těžiště (85–90 mm) - případné změny polohy se snažte dosáhnout změnou polohy pohonných akumulátorů. (Obr. 14)
- Pokud by to nestačilo, neváhejte přidat potřebné množství zátěže do přídě nebo do ocasu - zatímco pár gramů navíc letové vlastnosti modelu prakticky neovlivní, nesprávnou polohu těžiště model pozná ihned.
- Před prvním vzletem naplno nabijte akumulátory ve vysílači i pohonné pro model, přezkoušejte funkci RC soupravy a proveďte zkoušku dosahu dle návodu k obsluze RC soupravy. Dosah s motorem běžícím na plný plyn nesmí být o mnoho (ne více než 10%) menší, než s motorem vypnutým. Pokud není zkouška dosahu 100% úspěšná, nepokoušejte se o vzlet.
- Pokud nejste zkušeným pilotem RC modelů nebo ještě nemáte větší zkušenosti s daným typem modelů, svěřte raději první let do rukou zkušeného pilota. Není to žádná ostuda - i skutečná letadla zalétávají nejprve zkušení tovární piloti. Pravděpodobně v každém modelářském klubu najdete superzkušeného pilota, který zalétává modely značné části ostatních členů.
Létaní
Zalétání a vytrimování modelu je bez záludností. Odpovídá typickým strojům této velikosti a uspořádání - a pro středně pokročilého pilota, jemuž jsou tyto modely určeny, nebude představovat problém.
Příloha
KAVAN R-50SB Plus instrukce
Nalznete zde: KAVAN regulátory - návod ke stavbě.
Recyklace (Evropská unie)

Elektrická zařízení opatřená symbolem přeškrtnuté popelnice nesmějí být vyhazována do běžného domácího odpadu, namísto toho je nutno je odevzdat ve specializovaném zařízení pro sběr a recyklaci. V zemích EU (Evropské unie) nesmějí být elektrická zařízení vyhazována do běžného domácího odpadu (WEEE - Waste of Electrical and Electronic Equipment - Likvidace elektrických a elektronických zařízení, směrnice 2012/19/EU). Nežádoucí zařízení můžete dopravit do nejbližšího zařízení pro sběr nebo recyklačního střediska. Zařízení poté budou likvidována nebo recyklována bezpečným způsobem zdarma. Odevzdáním nežádoucího zařízení můžete učinit důležitý příspěvek k ochraně životního prostředí.
EU prohlášení o shodě

Tímto KAVAN Europe s.r.o. prohlašuje, že tento model Norden 1600 další zařízení s ním dodávaná jsou v souladu s požadavky příslušných evropských směrnic a harmonizovaných norem. Úplné znění EU prohlášení o shodě je k dispozici na této internetové adrese: www.kavanrc.com/doc/.
Záruka
KAVAN Europe s.r.o. zaručuje, že tato stavebnice je v okamžiku prodeje prosta vad jak v materiálu, tak i v provedení. Tato záruka nekryje žádné části poškozené používáním nebo v důsledku jejich úpravy; v žádném případě nemůže odpovědnost výrobce a dovozce přesáhnout původní pořizovací cenu stavebnice. Firma KAVAN Europe s.r.o. si také vyhrazuje právo změnit nebo upravit tuto záruku bez předchozího upozornění. Stavebnice je předmětem průběžného vylepšování a zdokonalování - výrobce si vyhrazuje právo změny konstrukčního provedení bez předchozího upozornění. Protože firma KAVAN Europe s.r.o. nemá žádnou kontrolu nad možným poškozením při přepravě, způsobem stavby a nebo materiály použitými modelářem při dokončování modelu, nemůže být předpokládána ani přijata žádná odpovědnost za škody spojené s používáním uživatelem sestaveného modelu. Okamžikem, kdy se uživatel rozhodne použít jím sestavený model, přejímá veškerou odpovědnost. Pokud není kupující připraven přijmout tuto odpovědnost, měl by stavebnici neprodleně vrátit v úplném a nepoužitém stavu na místě, kde ji zakoupil. Tento záruční list opravňuje k provedení bezplatné záruční opravy výrobku dodávaného firmou KAVAN Europe s.r.o. ve lhůtě 24 měsíců. Záruka se nevztahuje na přirozené opotřebení v důsledku běžného provozu, protože jde o výrobek pro sportovně-modelářské použití, kdy jednotlivé díly pracují pod mnohem vyšším zatížením, než jakému jsou vystaveny běžné hračky. Pohyblivé díly modelu (motor, serva a jejich převody, atd.) podléhají přirozenému opotřebení a po čase může být nezbytná jejich výměna. Záruka se nevztahuje také na jakoukoliv část modelu nebo RC soupravy, která byla nesprávně instalována, bylo s ní hrubě nebo nesprávně zacházeno, nebo byla poškozena při havárii, nebo na jakoukoliv část modelu nebo RC soupravy, která byla opravována nebo měněna neautorizovanou osobou. Stejně jako jiné výrobky jemné elektroniky nevystavujte vaši RC soupravu působení vysokých teplot, nízkých teplot vlhkosti nebo prašnému prostředí. Neponechávejte ji po delší dobu na přímém slunečním světle.