KAVAN L-39 Skyfox 1088mm - Návod ke stavbě
Úvod
Blahopřejeme vám k zakoupení polomakety českého vojenského proudového cvičného a lehkého bojového letadla Aero L-39 Skyfox. Stali jste se majiteli modelu s konstrukcí z takřka nerozbitného pěnového EPO (extrudovaný polyolefin) poháněného výkonným střídavým motorem napájeným z LiPo akumulátorů. Každý, kdo již zvládá létání s rychlým a obratným modelem, si stoprocentně užije pilotáž této elegantní polomakety!
Aero L-39 Skyfox
L-39 Skyfox je vojenský proudový cvičný a lehký bojový letoun vyvinutý a vyráběný českou firmou Aero Vodochody AERO Vodochody AEROSPACE a.s.. Navazuje na legendární L-39 Albatros; zatímco zachovává úspěšnou základní koncepci svého předchůdce, jde o zcela novou konstrukci s využitím kompozitních materiálů, moderního dvouproudového motoru a nejnovější avioniky včetně HUD displejů. Nové „mokré“ křídlo s integrální palivovou nádrží umožňuje Skyfox odlišit na první pohled od Albatrosu - postrádá charakteristické koncové nádrže. L-39 Skyfox pohání úsporný dvouproudový motor Williams International FJ44-4M umožňující stlačit provozní náklady na úroveň obvyklou u turbovrtulových cvičných letounů. Na pěti vnějších závěsech pod křídlem a trupem může nést až 1360 kg nákladu: 2 přídavné nádrže, kontejnery s kulomety 12,7 mm, kanóny 20 mm nebo neřízenými raketami, 227 kg pumy Mk. 82, laserem naváděné pumy GBU-12 Paveway, cvičné CATM nebo ostré protiletadlové řízené rakety AIM-9 Sidewinder, kontejnery s průzkumným vybavením atd. Sériová výroba L-39 Skyfox začala v květnu 2023 stroji pro české, maďarské a vietnamské letectvo. Souběžně probíhá i program modernizace původních L-39 Albatros s použitím motorů a avioniky Skyfoxu. České cvičné proudové letouny tak nezmizí z oblohy ani v následujících letech.
Technícké údaje
- Rozpětí: 9,38 m
- Délka: 11,83 m
- Hmotnost: 3100 kg (prázdná), 5600 kg (max. vzletová)
- Pohon: dvouproudový motor Williams International FJ44-4M 16,86 kN
- Maximální rychlost: 907 km/h nebo 0,8 Mach
- Dostup: 10 670 m
- Dolet: 1 900/2 500 km (s přídavnými nádržemi)
- Maximální násobek: +8/-4 G
Podrobnosti najdete na: https://www.aero.cz/l-39-skyfox/
Zásady bezpečného provozu
- Tento RC model není hračka. Používejte jej opatrně a důsledně dodržujte pokyny uvedené v tomto návodu.
- Model sestavte přesně podle tohoto návodu. Model NEMODIFIKUJTE ani neupravujte. V opačném případě záruka automaticky zaniká. Postupujte podle pokynů, abyste na konci montáže získali bezpečný a pevný model.
- Osoby mladší 14 let smějí model používat pouze pod dohledem dospělé osoby.
- Před každým letem se ujistěte, že je model v perfektním stavu. Dbejte na to, aby veškeré vybavení fungovalo správně a aby model neměl poškozenou konstrukci.
- Létejte pouze ve dnech se slabým větrem a na bezpečném místě mimo dosah překážek.
Before you start
- Pokud zatím nejste zkušený pilot RC modelů, začněte vyhledávat zkušeného modeláře, který před prvním vzletem zkontroluje váš nový model, zalétá jej a vytrimuje a poskytne vám pomoc během prvních letů. RC modely jsou přece jen poněkud složité, a zkušený modelář může rychle prověřit váš model - a vy získáte jistotu, že úspěchu prvních letů nestojí nic v cestě.
- Prosíme, model sestavujte přesně podle návodu. Nepokoušejte se model jakýmkoliv způsobem upravovat nebo měnit, protože tím můžete způsobit zhoršení jeho letových vlastností. Pokud provedete jakékoliv úpravy, které nejsou v souladu s tímto návodem, činíte tak výhradně na svoji vlastní odpovědnost.
- Než začnete, prosím, zkontrolujte celý obsah stavebnice podle návodu, abyste měli jistotu, že žádná část nechybí nebo není poškozena. Při rozbalování postupujte, opatrně, nic zbytečně neroztrhávejte a nerozřezávejte - nepočínejte si, prosím, jako netrpělivá novomanželka při rozbalování svatebních darů. Tímto způsobem se také lépe seznámíte se všemi částmi modelu. Pokud zjistíte, že nějaký díl chybí nebo je poškozený, prosím, neprodleně kontaktujte prodejce, u kterého jste model zakoupili.
- Každý díl před nalepením na místo vyzkoušejte. Před montáží se ujistěte, že používáte správný díl a že dobře sedí. Žádné množství lepidla nemůže nahradit špatně padnoucí díl.
- Návod obsahuje zřetelně vyznačenou polohu těžiště a doporučené výchozí velikosti výchylek ovládacích ploch. Dodržení správné polohy těžiště je naprosto zásadní podmínkou pro to, aby byl model ovladatelný a letuschopný. Správnou polohu je nutno bezpodmínečně dodržet. Pro první vzlet model zkompletujte tak, aby těžiště odpovídalo údaji v návodu - to je bezpečná hodnota pro zkušeného pilota, který je seznámen s chováním modelu v plném rozsahu běžných letových rychlostí. Těžiště více vpředu znamená model „hodnější“, stabilnější a snáze ovladatelný. Zadní poloha těžiště značí model „živější“, s menší stabilitou, s rychlejšími reakcemi na řízení a celkově náročnější na ovládání - proto je vhodné začít s přední polohou těžiště, a teprve poté, co s pilotáží modelu seznámíte a sžijete, můžete začít experimentovat.
Zásady bezpečného provozu
- RC letadlo není hračka! Při nesprávném použití může způsobit vážná zranění a škody na majetku. Létejte pouze na bezpečném místě a dodržujte všechny pokyny a doporučení uvedené v tomto návodu. Pozor na vrtuli! Volné předměty, které se mohou do vrtule namotat, včetně volného oblečení nebo jiných předmětů jako jsou tužky a šroubováky, držte mimo dosah točící se vrtule. Dbejte, aby otáčející se vrtule byla v bezpečné vzdálenosti od prstů a obličeje - vašeho i ostatních lidí a zvířat.
- Jakožto vlastník tohoto výrobku jste výhradně zodpovědný za to, že je provozován způsobem, kterým neohrožujete sebe ani ostatní, ani nevede k poškození výrobku nebo jiným škodám na majetku. Model je ovládán prostřednictvím vysokofrekvenčního signálu, který může podléhat rušení z vnějších zdrojů mimo vaši kontrolu. Nikdy také nelze zcela vyloučit možnost nějaké závady na modelu nebo pilotážní chyby, takže je vhodné vždy létat s modelem tak, aby se všech směrech nacházel v bezpečné vzdálenosti od okolních předmětů a osob, protože tato vzdálenost pomůže zabránit zranění nebo škodám na majetku.
- S modelem nelétejte, jsou-li baterie nebo akumulátory ve vysílači vybité.
- Model vždy provozujte na volném prostranství mimo dosah elektrického vedení, aut, dopravy nebo lidí. Nepoužívejte model v obydlených oblastech, kde může dojít ke zranění nebo poškození.
- Pečlivě dodržujte pokyny a varování pro toto a všechna volitelná podpůrná zařízení (nabíječky, dobíjecí baterie atd.), která používáte.
- Udržujte všechny chemikálie, malé části modelu a veškerá elektrické zařízení mimo dosah dětí.
- Voda a vlhkost mohou způsobit poškození elektroniky. Zabraňte působení vody na všechno vybavení, které není speciálně navrženo a vyrobeno jako odolné vůči tomuto působení.
- Model je zhotoven v převážné většině z plastů - není nehořlavý. Model nesmí být vystaven působení vyšších teplot (v blízkosti zdrojů tepla, na přímém slunci, v uzavřeném interiéru auta apod.), jinak hrozí nebezpečí zdeformování pěnového draku modelu nebo jiné škody.
Specifikace
| Rozpětí | 1080 mm |
| Délka | 1369 mm |
| Letová hmotnost | 2550–2750 g |
| Plocha křídla | 25 dm² |
| Dmychadlo | 80 mm |
| Motor | C3552-2000KV |
| Regulátor | KAVAN R-100SB Plus |
Obsah sady
100% osazený, pouze krátkou montáž vyžadující model (serva, střídavý motor s 80 mm dmychadlem, regulátor otáček), návod ke stavbě.
Pro dokončení modelu ještě budete potřebovat
- Nejméně šestikanálový vysílač a přijímač, pohonný akumulátor LiPo 22,2 V 3700–5000 mAh min. 40C, ale raději 60C s konektorem XT90.
- Běžné modelářské nářadí - modelářský nůž (KAV66.770), šroubováky, kleště, 1,5 mm a 2,5 mm imbusobou kličku nebo šroubovák atd.
- Lepidla: Střední nebo husté vteřinové lepidlo (e.g. KAV56.9952 nebo KAV56.9953), kontaktní lepidlo nebo MS polymerový lepící tmel.
Stavba modelu
- Svislou ocasní plochu přišroubujte k horní ocasní části trupu dvěma samořeznými šrouby 3×15 mm. (Obr. 1)
- Spodní ocasní část trupu přilepte k přední části trupu středním nebo hustým vteřinovým lepidlem, kontaktním lepidlem nebo MS polymerovým lepícím tmelem. (Obr. 2)
- Propojte prodlužovací kabel y serv směrovky (RUD) a výškovky (ELE), zajistěte je přelepením samolepící páskou nebo kouskem smršťovací bužírky proti rozpojení a horní ocasní část trupu usaďte na trup. (Obr. 3)
- Horní ocasní část trupu upevněte k trupu čtyřmi samořeznými šrouby 3×15 mm. (Obr. 4)
- Prodlužovací kabely serv křidélek a klapek zaveďte do prostoru kabiny a křídlo upevněte k trupu čtyřmi samořeznými šrouby 3×15 mm. (Obr. 5)
- Uvolněte uzávěr kabiny zatažením páčky dozadu a sejměte kryt kabiny. (Obr. 6)
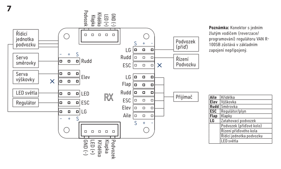
- Váš přijímač zapojte dle schématu (Obr. 7). Přijímač s připojenými servy a regulátorem otáček upevněte v zadní části kabiny pomocí pásku samolepícího suchého zipu nebo oboustranné samolepící pásky s pěnovou vrstvou a antény umístěte tak, aby jejich aktivní části byly na sebe navzájem kolmé (máte-li přijímač s diverzitními anténami).Pozn.: Ve výchozím provedení se serva křidélek, klapek, směrovky a výškovky i regulátor otáček a zatahovací podvozek připojují do přijímače pomocí speciální zapojovací desky nainstalované v modelu, což umožňuje pro ovládání modelu používat i ty nejjednodušší šestikanálové RC soupravy. Pokud chcete používat nezávislé ovládání křidélek a klapek, jaké umožňují pokročilejší počítačové RC soupravy, je nutno zapojení palubní elektroniky příslušným způsobem upravit. LED světla jsou pouze napájena ze zapojovací desky; nejsou nijak dálkově ovládána.
- Kryt kabiny nasaďte zpět. Tím je stavba modelu dokončena. (Obr. 8)
Instalace RC soupravy a příprava k letu
- Při instalaci a zapojování palubní RC soupravy se řiďte návodem k její obsluze.
- Po úplném sestavení modelu zapojte palubní RC vybavení a přezkoušejte činnost serv - správný smysl a velikost výchylek. Pokud má některé kormidlo příliš velké výchylky, posuňte táhlo na páce serva blíže ke středu - nebo na páce kormidla dále od kormidla. Pokud by naopak výchylka byla příliš malá, postupujte právě opačným způsobem.
| Doporučené výchylky | *Malé výchylky | *Velké výchylky | ||
| Výchylky | Expo | Výchylky | Expo | |
| Křidélka | ± 12 mm | 25 % | ± 16 mm | 25 % |
| Výškovka | ± 14 mm | 30 % | ± 20 mm | 30 % |
| Směrovka | ± 21 mm | 30 % | ± 30 mm | 30 % |
| Klapky | Vzlet: -26 mm dolů / Přistání: -55 dolů | |||
| Mix klapky → výškovka | Vzlet: výškovka 1 mm dolů / Přistání: výškovka 3 mm dolů | |||
*) Malé výchylky uvedené v tabulce jsou vhodné pro méně zkušené piloty a normální létání. Velké výchylky jsou určeny pro zkušené piloty, kterým umožní naplno využít schopnosti modelu.
- Zkontrolujte smysl otáčení dmychadla. Pokud by byl nesprávný, prostě mezi sebou prohoďte kterékoliv dva z trojice vodičů mezi regulátorem otáček a motorem.
- Zkontrolujte správnou polohu těžiště (80–85 mm za náběžnou hranou křídla u trupu, jinými slovy 125–130 mm od přední hrany výlisku křídla) - případné změny polohy se snažte dosáhnout změnou polohy pohonných akumulátorů (Obr. 9). Pokud by to nestačilo, neváhejte přidat potřebné množství zátěže do přídě nebo do ocasu - zatímco pár gramů navíc letové vlastnosti modelu prakticky neovlivní, nesprávnou polohu těžiště model pozná ihned. Před prvním vzletem naplno nabijte akumulátory ve vysílači i pohonné pro model, přezkoušejte funkci RC soupravy a proveďte zkoušku dosahu dle návodu k obsluze RC soupravy. Dosah s motorem běžícím na plný plyn nesmí být o mnoho (ne více než 10%) menší, než s motorem vypnutým. Pokud není zkouška dosahu 100% úspěšná, nepokoušejte se o vzlet. Pokud nejste zkušeným pilotem RC modelů nebo ještě nemáte větší zkušenosti s daným typem modelů, svěřte raději první let do rukou zkušeného pilota. Není to žádná ostuda - i skutečná letadla zalétávají nejprve zkušení tovární piloti. Pravděpodobně v každém modelářském klubu najdete superzkušeného pilota, který zalétává modely značné části ostatních členů.
Létání
- Zalétání a vytrimování modelu je bez záludností; odpovídá typickým strojům této velikosti a uspořádání - a pro pokročilého pilota, jemuž jsou tyto modely určeny, nebude představovat problém.
- Samozřejmostí je vzlet a přistání na odpovídajícím modelářském letišti, pokud možno s pevným povrchem.
- Samozřejmostí je vzlet a přistání na odpovídajícím modelářském letišti, pokud možno s pevným povrchem.
- Nezapomínejte také, že model poháněný dmychadlem nelétá jako větroň, pokud se jeho motor zastaví v důsledku vybití pohonného akumulátoru.
Příloha
KAVAN R-100SB Plus instrukce
Naleznete zde: KAVAN regulátory - návod ke stavbě.
Recyklace (Evropská unie)

Elektrická zařízení opatřená symbolem přeškrtnuté popelnice nesmějí být vyhazována do běžného domácího odpadu, namísto toho je nutno je odevzdat ve specializovaném zařízení pro sběr a recyklaci. V zemích EU (Evropské unie) nesmějí být elektrická zařízení vyhazována do běžného domácího odpadu (WEEE - Waste of Electrical and Electronic Equipment - Likvidace elektrických a elektronických zařízení, směrnice 2012/19/EU). Nežádoucí zařízení můžete dopravit do nejbližšího zařízení pro sběr nebo recyklačního střediska. Zařízení poté budou likvidována nebo recyklována bezpečným způsobem zdarma. Odevzdáním nežádoucího zařízení můžete učinit důležitý příspěvek k ochraně životního prostředí.
EU prohlášení o shodě

Tímto KAVAN Europe s.r.o. prohlašuje, že tento model L-39 Skyfox další zařízení s ním dodávaná jsou v souladu s požadavky příslušných evropských směrnic a harmonizovaných norem. Úplné znění EU prohlášení o shodě je k dispozici na této internetové adrese: www.kavanrc.com/doc/.
Záruka a omezení odpovědnosti
Jako výrobce tohoto produktu nemáme žádnou kontrolu nad tím, že budete dodržovat tyto pokyny při zapojení a instalaci RC soupravy do modelu. Stejně tak nemáme možnost ovlivnit způsob, jakým zabudujete, budete provozovat a udržovat části RC soupravy. Z tohoto důvodu KAVAN musí odmítnout všechnu zodpovědnost za ztrátu, poškození nebo finanční náklady, které budou způsobeny nesprávným použitím nebo provozováním námi dovážených produktů, nebo které jsou jakýmkoliv způsobem spojeny s takovou činností. Pokud není zákonem stanoveno jinak, povinnost firmy KAVAN vyplatit náhradu, je (bez ohledu na uplatněné právní argumenty) omezena na pořizovací cenu na ty výrobky KAVAN, které právě a přímo byly účastny v události, která způsobila škodu. Toto neplatí v případě, že výrobce byl soudně zavázán k provedení neomezené náhrady škod na základě prokázané úmyslné nebo hrubé nedbalosti. Zaručujeme, že naše produkty jsou v souladu s aktuálně platnými
zákonnými ustanoveními. Záruka se nevztahuje na poruchy a závady způsobené:
• Nesprávným nebo nevhodným použitím.
• Opožděnou, nesprávnou nebo vůbec neprovedenou údržbou, nebo údržbou provedenou neautorizovaným
servisem.
• Nesprávným zapojením.
• Použitím příslušenství, které není schválené nebo doporučené firmou KAVAN Europe s.r.o.
• Úpravou nebo opravou, která nebyla provedena autorizovaným střediskem KAVAN Europe s.r.o.
• Neúmyslným nebo úmyslným poškozením.
• Normálním opotřebením.
• Provozem zařízení mimo provozní limity uvedenými ve specifikaci.
KAVAN Europe s.r.o. zaručuje, že tento výrobek je v okamžiku prodeje prost vad jak v materiálu, tak i v provedení.
Firma KAVAN Europe s.r.o. si také vyhrazuje právo změnit nebo upravit tuto záruku bez předchozího upozornění.
Zařízení je předmětem průběžného vylepšování a zdokonalování - výrobce si vyhrazuje právo změny konstrukčního provedení bez předchozího upozornění.
Tento záruční list opravňuje k provedení bezplatné záruční opravy výrobku dodávaného firmou KAVAN Europe s.r.o. ve lhůtě 24 měsíců. Záruka se nevztahuje na přirozené opotřebení v důsledku běžného provozu, protože jde o výrobek pro modelářské použití, kdy jednotlivé díly pracují pod mnohem vyšším zatížením, než jakému jsou vystaveny běžné hračky.
Záruka se nevztahuje také na jakoukoliv část zařízení, která byla nesprávně instalována, bylo s ní hrubě nebo nesprávně zacházeno, nebo byla poškozena při havárii, nebo na jakoukoliv část zařízení, která byla opravována nebo měněna neautorizovanou osobou (to platí i pro aplikaci jakýchkoliv vodovzdorných nástřiků/nátěrů uživatelem).
Stejně jako jiné výrobky jemné elektroniky nevystavujte toto zařízení působení vysokých teplot, nízkých teplot, vlhkosti, prašnému prostředí prudkým mechanickým rázům a nárazům. Neponechávejte je po delší dobu na přímém
slunečním světle.
Požadavek na záruční opravu uplatňujte, prosím, v prodejně, kde jste soupravu zakoupili.